考点分析
大题
提供电路图,进行分析:
交叉考题
提供反馈电阻Rf,动手连线完成题目要求,进一步完成上面的部分分析
分类
极性分析正/负反馈
原理
输入信号的增加,引起反馈信号对输入信号的作用。
方法
假设输入信号在某瞬时极性为+,逐级标注输出信号与输入信号的相位关系——点电位的瞬时极性/支路电流的瞬时流向,最后观察反馈信号,削弱输入信号是负反馈,增强输入信号是正反馈。
例
FET的源级偏置电路,当g为+时,s为+,此时Rs两端电压上升,Vgs=Vi-Vs下降,即输入信号被削弱,为负反馈。

重点
对FET、BJT的相位关系清楚,遵循规律标注即可。
输出短路法判断电流/压反馈
原理
电压反馈,则反馈信号与输出电压Vo存在比例等关系。若将输出电压Vo短路后,反馈信号仍可存在,则反推为电流反馈。
方法
将负载短路,Vo端接地,判断此时反馈信号是否存在。
反馈信号Xf是完全由输出信号Xo决定的,因此需要将Xi置零后判定Xf。
此外,可以先归纳出反馈信号的表达式,则可直观看出是电流反馈还是电压反馈。
例
最常见也最易主观将方式归类于电压反馈,细心判断下面的两个电路分别属于哪种反馈类型?

由于将负载短接后,放大电路仍然有输出电流,反馈信号也存在,即二者皆为电流反馈。
知识点:输出电流一般指放大器的输出电流
串/并联
最简单,直接观察电路中:反馈信号与输入信号采取何种方式连接?串接串联,并接并联。
综合演练
相对于分析类型的考题,自己设计的难度更大,下面是一道例题:
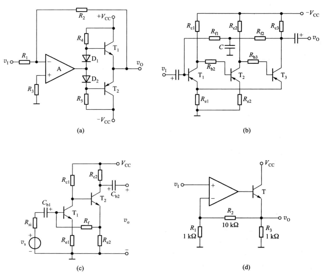
8.1.6由集成运放A及BJTT、T2组成的放大电路如图题8.1.6所示,试分别按下列要求将信号源vo、电阻R,正确接入该电路。
(1)引入电压串联负反馈;(2)引人电压并联负反馈;
(3)引入电流串联负反馈;(4)引入电流并联负反馈。
思路:首先确定电压与电流反馈方式,电压反馈需要与输出端h相连,电流则连接g。其次确定输入端与反馈端接法,由负反馈与串/并联方式决定,容易的办法是先假设一种接法,转换成分析题,判断是否符合题意。
解:
(1)a-c、b-d、h -i、j-f
(2)a -d、b-c、h- i、j- f
(3)a -d、b -c、g-i、j – e
(4)a-c、b-d、g-i、j-e
性能影响
引入负反馈,降低了放大电路的闭环增益,但是放大电路的许多性能指标得到了改善,如:
- 提高了放大电路增益的稳定性
- 减小了反馈环内的非线性失真
- 抑制了反馈环内的干扰和噪声
- 负反馈使放大电路的通频带得到了扩展
输入/输出电阻
- 串联负反馈使输入电阻提高;并联负反馈使输入电阻下降
- 电压负反馈降低了输出电阻,电流负反馈使输出电阻增加
由上述性质,可以分析不同类型的反馈方式对电路的影响,或者,根据需求设计不同的连接方式
例
8.1.3从反馈效果看,对以下电路中的信号源内阻Rsi有什么要求?

解:图题8.1.3a中引入串联负反馈,故从反馈效果考虑,要求R.越小越好。b图中引人并联负反馈,故从反馈效果考虑,要求R,越大越好。
频带拓展
由放大电路的增益带宽积一定可推出,当增益为此前的1/(1+AF)倍时,带宽拓展为开环的(1+AF)倍
反馈系数与闭环增益
F=Xf/Xo,即输出信号的F份被取样做为反馈信号
要点:注意闭环增益与闭环电压增益的区别,可以利用1+AF>>1推导出的Af=1/F为闭环增益,只有在电压串联负反馈的情况下等同于闭环电压增益Avf
而闭环电压增益的求取,利用“虚断”与“虚短”的概念。
闭环电压增益
方法
在(1 +AF) >1的深度负反馈条件下,有Ai=xo/xi≈1/F,即xi≈Fxo=xf,从而有xid=xi -xf≈0。
对于串联负反馈,则有v;≈vr,”虚短”,i≈0,”虚断”。对于并联负反馈,则有i;≈iq,”虚断”,vij≈0,“虚短”。思路是,根据“两虚”的概念及负反馈放大电路的组态,列出输入端的节点电流方程,即可求得相应的Avf
例
在深度负反馈条件下,分别计算它们的闭环增益与闭环电压增益:
解:



