一、由555定时器、3-8线译码器74HC138和4位二进制加法器
74LVC161组成的时序信号产生电路如图所示。

- 试问555定时器组成的是什么功能电路?
- 试问74LVC161组成什么功能电路?列出其状态表;
- 画出图中v。1、Q3、Q2、Q1 Q, 及L的波形。
多谐振荡电路
555定时器的这种连接方式为多谐振荡电路,其中有:
(1) ![]()
(2) ![]()
即高电平脉宽为低电平脉宽的2倍
计数器
74HC161采用反馈置数法组成模数为5的计数器,状态表为
| Qn | Qn+1 |
| 1011 | 1100 |
| 1100 | 1101 |
| 1101 | 1110 |
| 1110 | 1111 |
| 1111 | 1011 |
对于74HC138译码器组成的输出电路部分,L为有效Y的相或
(3) ![]()
即:
(4) ![]()
波形图

仿真程序
//filename:general1.v
`timescale 1ns/1ns
module general1;
reg CR_n,EN,CP;
reg [3:0] D;
wire [3:0] Q;
wire TC,PE_n;
supply0 GND;
supply1 VCC;
wire [7:0] Y_n;
wire L;
//实例化调用反馈置数法的X模制计数器
//调用计数器74LVC161
counter_161 U1(
.CR_n(CR_n),
.PE_n(PE_n),
.CEP(VCC),
.CET(VCC),
.CP(CP),
.D(D),
.Q(Q),
.TC(TC)
);
//实例化74X138
decoder74X138 U2(
.E1_n(GND),
.E2_n(GND),
.E3(Q[3]),
.A(Q[2:0]),
.Y_n(Y_n)
);
//输出
assign L=~(Y_n[3]&Y_n[5]&Y_n[6]);
//计数最高则置数端有效
assign PE_n=~TC;
initial begin
EN<=1;
CP<=0;
D<=4'B1011;
end
//产生时钟信号
always begin
#1
CP=~CP;
#2
CP=~CP;
end
initial begin
#1//清零
CR_n<=0;
#1
CR_n<=1;
#80
$stop;
end
endmodule
二、时序电路如下图所示,已知A、CP的波形,试对应画出Q1、Q0输出波形。(假设电路的初态为00)

注意:
本题的触发器C0具有异步清零端,即Q1n为1时,Q0n+1为0
方程

状态转换表
| Q1n(R0)Q0n | A=0 | A=1 |
| 00 | 00 | 01 |
| 01 | 10 | 10 |
| 10 | 00 | 00 |
| 11 | 00 | 00 |
输出波形

三、集成移位寄存器74HC194和10位集成D/A转换器AD7533组成的电路如图六所示,已知CP和ST的波形:

- 试画出QD、Qc QB、QA的波形;
- 定量出画图中vO的波形;
- 已知CP的频率f=1KHz,试确定vO的周期。
注意:
该寄存器A为最高位,而D为最低位
寄存器部分
- 74LS194是四位双向通用移位寄存器。移位的方向,右移(方向是QA到QD),左移(方向是QD到QA)。左移是高位到低位。
- 寄存器的S0一直为H
- 当ST为L时,S1为H,则寄存器功能为将DCBA数据移至输出。时钟脉冲上升沿到来,Q为1110
- 此后ST为H,Q中有0项,经过与非门为H,则S1为L,寄存器功能为右移,右移数据为QD =1,一次时钟脉冲上升沿时,Q为1101,之后为1011、0111、1110,开始循环
D/A转换部分
Q输出由DBCA分别对应D/A转换器的D输入6789,公式:
(5) ![]()
则1110对应:
(6) ![]()
(7) ![]()
同理,1101对应-6.5V,1011对应-5.5V,0111对应-3.5V:
vo的周期即Q循环一次的周期,为时钟周期的4倍,即:
(8) ![]()
四、图示为四选一多路器。图中A1为地址选择端最高位,D3为数据输入端最高位,W为输出。输入输出均为高电平有效。该电路所实现的函数表达式为

五、利用ROM构成的任意波形发生器如图题7.1.5所示,改变ROM的内容,即可改变输出波形。当ROM的内容如表题7.1.5所示时,画出输出端随CP变化的波形。

输出表达式
(9) ![]()
(10) ![]()
(11) ![]()
(12) ![]()
(13) ![]()
(14) ![]()
波形图

六、计数型A/D转换器的原理电路如图所示,A为比较器,当Vi大于Vo时输出为1,当Vi小于Vo时输 出为0; CR为低电平有效的清零信号,每次转换前CR信号都将计数器清零; Vr为高电平有效的转换控制信号,CP为时钟信号,频率为100KHz;计数器模块为8位二进制加法计数。

- 请说明该电路实现A/D转换的原理。
- 完成一次A/D转换的最长时间为多少?
- 若8位D/A最高可输出Vomax=9.18V,当Vi= 5.410V时,电路输出结果的值为多少?此次转换的时间为多少?
- 在计数器的作用下,改变Vo为不同权值电压。通过电压比较器,将输入电压Vi不同权值的电压Vo进行比较,得到转换的数字量。
- 最长时间即从最高权值一直比较到最低权值得到结果,即进行8位的比较,需要8个时钟脉冲:Tmax=8*Tcp=0.08ms
- 第一位为2^7/(2^8-1)*9.18=4.608,依次类推得到之后每位的权值为2.304、1.152、0.576……
- 通过输出逐次比较,最终结果为10010110
- 转换时间为0.08ms
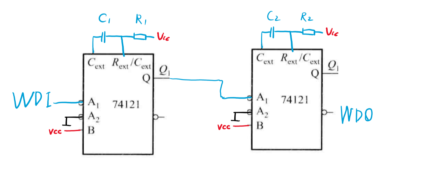
七、下图即为采用全数字方式实现的看门狗定时电路,其中OSC为多谐振荡器。请简要说明电路工作原理,并指出一次触发产生的最大高电平定时脉宽和WD0输出的复位信号宽度。若采用单稳触发器来实现该功能,画出电路图

工作原理
OSC多谐振荡器产生矩形脉冲,做为10Hz的时钟信号传入计数器74HC161.
当计数器到达最高位数1111时,产生进位信号,TC有效,则WD0经非门后输出为低电平,分别
- 传递至计数器的预置信号PE为有效低电平,等待下次时钟脉冲时,置位为0000
- 传递至D触发器的复位端R,使输出Q为低电平,并传递至计数器的使能端CEP,计数无效
最大高电平定时脉宽
当输入信号WDI为下降沿时,传递至计数器CR为有效低电平,计数器清零。
当输入信号WDI为上升沿时,将D的值传递至计数器使能端CEP,计数器开始在OSC的脉冲下从0000开始计数,直至计至最大值1111使进位端TC为高电平,最大高电平定时脉宽即TC低电平持续时间,为15个时钟信号周期,即1.5s
WDO复位信号宽度
即WDO为低电平保持时间,等同于TC高电平保持时间。根据74HC161功能可知,为一个时钟信号周期,即1/10Hz=0.1s
单稳态触发器实现
由暂稳态持续高电平时长公式为T=0.7RC,通过调制R和C的大小实现电路功能
如,取R=2kΩ,C=0.1mF,T=0.14s
根据上述分析,在输入信号WDI有效后,电路输出WDO分别需要维持特定T1时长的高电平后,再下降为低电平保持T2时间再恢复高电平,则需要两个单稳态触发器分别记录两段时间
由于高电平定时脉宽是从WDI上升沿开始计时,则第一个单稳态触发器的触发沿选择上升沿;而低电平是在高电平持续结束后开始,则选择第二个单稳态触发器的触发沿为下降沿。

对于T1=1.5s,T2=0.1s,不妨取C1=C2=100μF,则R1≈21.4kΩ,R2≈1.4kΩ